• 尊龙凯时人生就是搏


  • 您当前位置 : 首页 产品中心 > 涂胶系列 > 减压阀 >

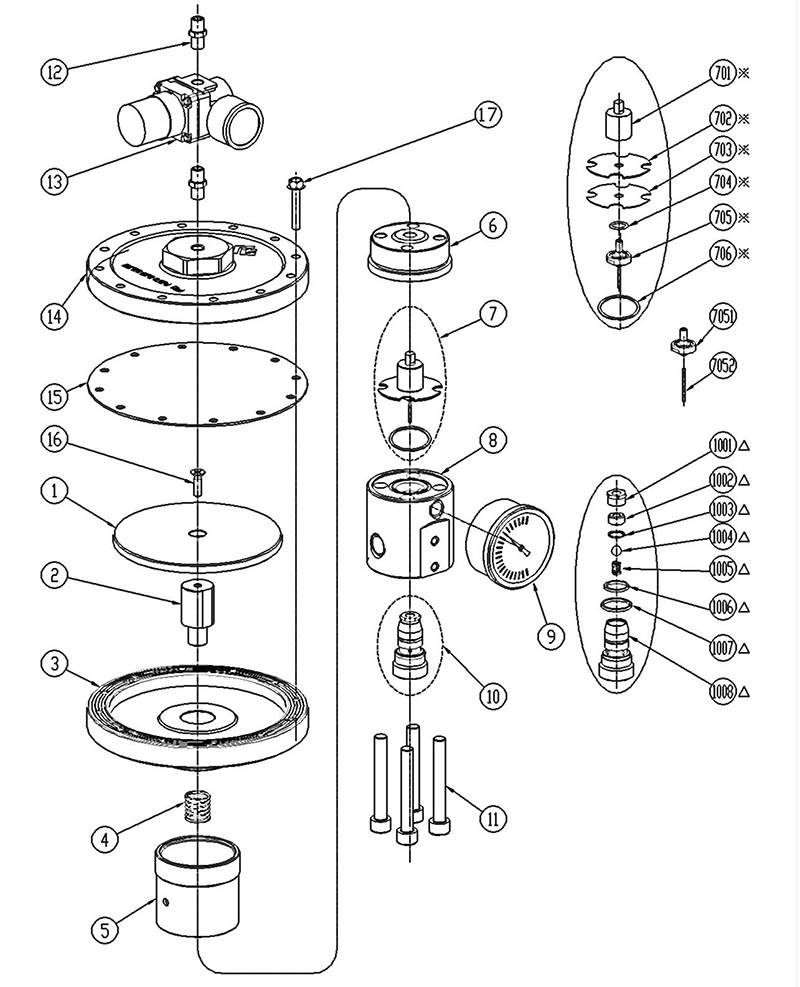
    高压流体压力调节器V2000A

    不锈钢材质
    采用不锈钢材质,不易磨损 ,经久耐用 ,与催化剂及水性材料兼容
    水基材料兼容
    适用于多种类型的胶体材质  ,可快速清洗及更换阀芯
    238894

    • 产品描述
    • 详细参数
    减压阀V2000A,调节动力源采用的是压缩空气 ,外形材料为不锈钢,不易磨损 ,经久耐用 。

    这款减压阀可适用于多种场合,对压力进行调节,通用的胶体材质如:胶水 ,油,脂 ,油漆等。




  • XML地图